你的稀土耐磨管是否是這樣的?
(一)稀土耐磨管表面不光滑,很粗糙。
江蘇江河機械生產的稀土耐磨管采用離心鑄造,根據生產工藝的要求,在鋼水澆注前在熱磨筒內表面上一次3-5mm的覆膜砂,以便于澆注好的耐磨管與模筒分離。故成品耐磨管表面有一層覆膜砂,比較粗糙,看起來不像無縫鋼管表面光滑,不影響使用。
(二)耐磨管現場焊接、切割時出現裂紋。
耐磨管現場焊接、切割時出現裂紋,先用角向砂輪機把裂紋處磨透并清除干凈,用J507焊條先把打磨透的焊縫焊好,再于其他管件焊好。我公司可以提供稀土耐磨管焊接工藝。
(三)耐磨管安裝結束,現場管線試壓時,出現滲漏。
耐磨管管線試壓時,出現滲漏后,找出漏點,關掉水路,用角向砂輪機把漏點處磨透并清除干凈,等漏點處干時用J507焊條把漏點處焊好,冷卻后磨平,然后再試壓,直到不出現漏點為止,才算完工。
(四)稀土耐磨管正常運行幾個月之后,磨穿了。
稀土耐磨合金管在運行過程中,與輸送的介質、溫度、流速等有關系,如果正常運行幾個月就磨穿,要分析原因得出結論。重新考慮符合滿足其工況的其它材質的耐磨管。
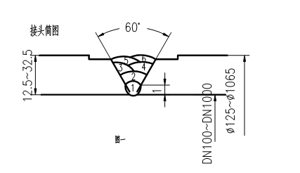
(五)稀土耐磨管現場焊接時,坡口角度太小。
稀土耐磨管現場焊接時,坡口角度太小焊接的層數也就少,焊接的強度也就降低。一般正常的耐磨管的壁厚最少在12毫米,最多在35毫米之上,我公司焊接工藝注明坡口在25°-45°之間,保證了現場耐磨管焊接的牢固度,如果現場坡口角度太小,必須現場再次磨坡口,達到我公司焊接工藝規定的角度,再安裝焊接。
【以上文章來源于江蘇江河專注鍋爐燃燒器耐磨耐熱配件的公司(www.jhjx66.com),轉載請注明出處喲!】















